Matson Manufacturing

Aidan's PLC

June, 2025

Aidan's PLC V1.0

I always viewed Programmable Logic Controllers as difficult to program and underwhelming in capability. So I set out to design and build my own PLC from scratch using an STM32 microcontroller. As a mechanical engineer I was not familiar with PCB design, but I found KiCad to be surprisingly intuitive. After several iterations, I am now working on version 4.0 of my PLC design.

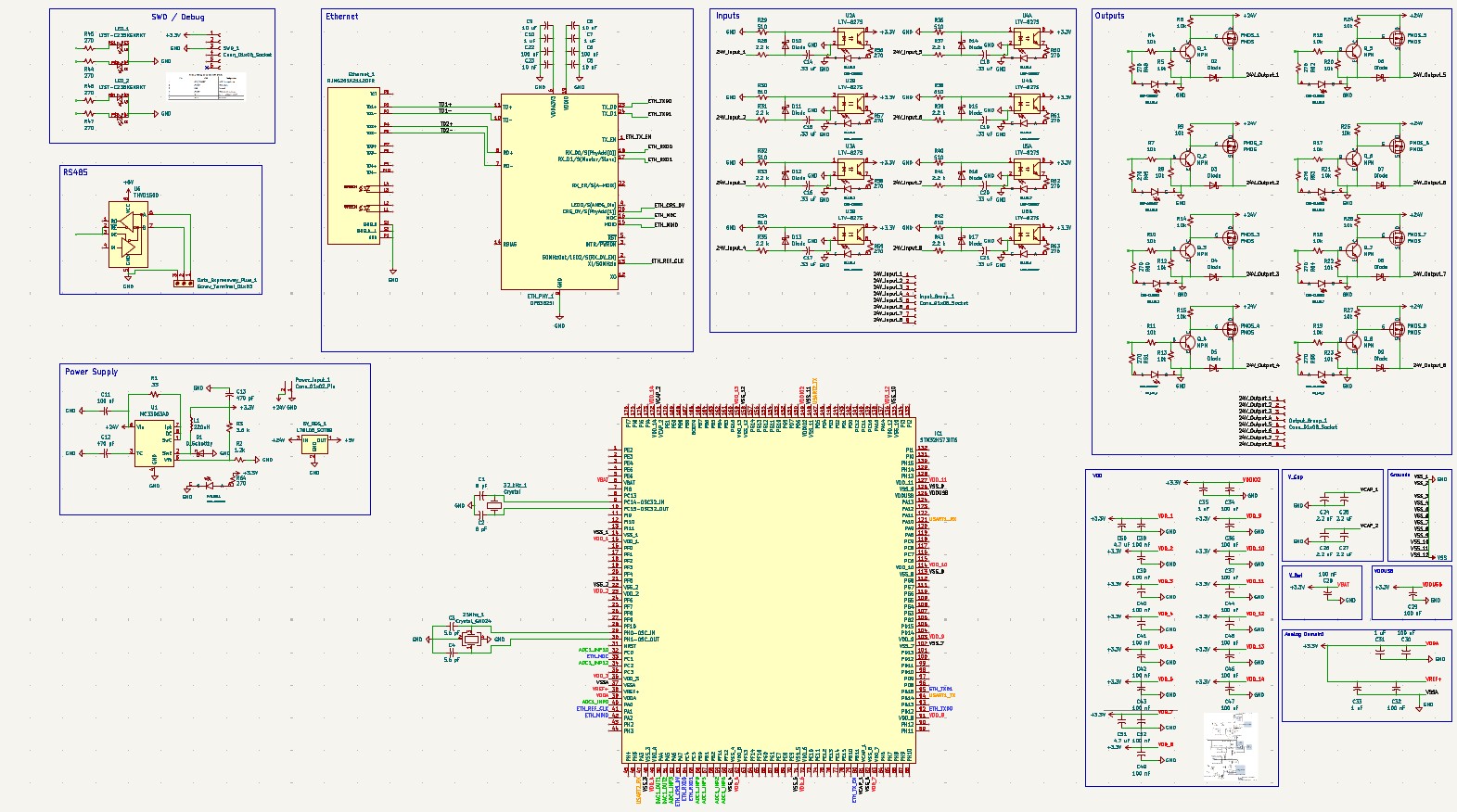
Aidan's PLC V4.0

Version 4 features 8 digital outputs capable of sourcing 2 amps each at 36 volts, 8 digital inputs with optical isolation, ethernet connectivity, and RS485.

Aidan's PLC V4.0 schematic

I have many more ideas for useful features to add in the future and I plan on continuing my development of this project after I graduate in May.

← Back to Projects